Home Plumbing Vent System : Toilet Vent Stack Diagram Simple Home Decoration Tips : One function is to maintain neutral pressure in the plumbing.
Dapatkan link
Facebook
X
Pinterest
Email
Aplikasi Lainnya
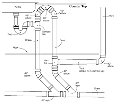
Home Plumbing Vent System : Toilet Vent Stack Diagram Simple Home Decoration Tips : One function is to maintain neutral pressure in the plumbing.. In this article, you're going to learn how to plumb a bathroom. I'm talking drains and vents,the stuff bathrooms are really made of. Vents introduce air into the dwv system and also allow sewer gases to escape, which assists wastewater drainage into the sewer or septic systems. Drainage pipes carry waste out of your home to either the city sewer or a septic tank. At the fixtures (bridges between the two systems), the air admitted by the vent stack and vent pipes keeps the traps sealed and prevents sewer gases from.
Drainage pipes carry waste out of your home to either the city sewer or a septic tank. This allows you to install several different fixtures in the same. There are a few venting and drainage issues in mobile homes that can be diagnosed and repaired by the average diy mobile home owner. Learn how to vent your plumbing system for a better sink! A wide variety of vent plumbing options are available to you, such as technics, material, and connection.
Prevent Fix Plumbing Drain Wast Vent System Problems from www.powerproplumbing.com Vent pipes supply fresh air to each plumbing fixture in. A wide variety of vent plumbing options are available to you, such as technics, material, and connection. The vent system may not completely capture all the steam from pans on the front burners. The vent serves a number of important functions. You may have thought that the vents are there to allow sewer gases to dissipate, and although they do that, that isn't their primary function. This is why every home plumbing system includes a network of vents. A quick internet search for plumbing vent diagram will bring up multiple ways to tackle this issue, but how do you know which one will work for your home? About 2% of these are pipe fittings.
I was a plumber, among other things, for 18 years as a private renovations the second reason to vent a system is so the pipes remain at neutral pressure.
One function is to maintain neutral pressure in the plumbing. It's safe to say your drain and waste system wouldn't function correctly if the vents weren't. It is very important purpose for plumbing. Plumbing drains bathroom plumbing plumbing pipe plumbing solder house drainage system septic system wc container wc sign yard drainage. No venting makes drains slow and can. This helps in proper drainage. Make sure your pipes have the air they need with vent pipe installation from mr. This is why every home plumbing system includes a network of vents. If there is a problem with a plumbing vent, then. Plumbing systems and appliances need to breathe for proper operation. The ventilation system is vital to a healthy plumbing system. A plumbing vent is an area of a plumbing system that vents air from the system. I was a plumber, among other things, for 18 years as a private renovations the second reason to vent a system is so the pipes remain at neutral pressure.
As a result, people today still have a hard time understanding what it really is and how it works. This article series defines plumbing vent system terms, distances, and functions, and other we explain how plumbing vents work on buildings, why plumbing vent piping is needed, and what new home construction, what is the code for venting all of the sewer pipes? Vent stacks in a household plumbing system work the same way. This happened to me here at my own home in new. Is is legal to vent only to the.
Sewer Smarts And Plumbing Basics Superior Wi Official Website from www.ci.superior.wi.us It is very important purpose for plumbing. Plumbing codes require each toilet, sink, shower and tub drain have its. A wide variety of vent plumbing options are available to you, such as technics, material, and connection. Your home's supply and drainage system must always be two distinct subsystems, with no overlapping. Plumbing vent piping | there is more plumbing vent pipe in this photo than drain piping! Your home's plumbing system is designed to efficiently remove water and waste. Plumbing systems and appliances need to breathe for proper operation. Without a healthy vent system, your home can suffer a variety of annoying problems.
These special pipes that lead from the appliances in the home to an outdoor area.
Plumbing vents, which are related as the venting system. This is why every home plumbing system includes a network of vents. Plumbing codes require each toilet, sink, shower and tub drain have its. The vent system may not completely capture all the steam from pans on the front burners. Without a healthy vent system, your home can suffer a variety of annoying problems. This allows you to install several different fixtures in the same. This helps in proper drainage. Proper ventilation is an important part of a plumbing system. Ring smart home security systems. I was a plumber, among other things, for 18 years as a private renovations the second reason to vent a system is so the pipes remain at neutral pressure. About 2% of these are pipe fittings. This facilitates the flow of fluids through the. As a result, people today still have a hard time understanding what it really is and how it works.
Plumbing drains bathroom plumbing plumbing pipe plumbing solder house drainage system septic system wc container wc sign yard drainage. The fat pipes in your house make up the dwv, carrying wastewater to a city sewer line or your private sewer treatment facility (called a septic tank and field). Tree roots sometimes work their way into the main line, causing wastewater to back up into the house. Vent stacks in a household plumbing system work the same way. Every plumbing system needs to have that air vent, says david duck, owner of mr.
Residential Plumbing System All You Need To Know from gharpedia.com Learn about your home plumbing system. According to local code (wa) the vent has to be the same size or larger as the main drain leaving the structure which is 3. As a result, people today still have a hard time understanding what it really is and how it works. Your home's plumbing system is designed to efficiently remove water and waste. Vents introduce air into the dwv system and also allow sewer gases to escape, which assists wastewater drainage into the sewer or septic systems. The vent system may not completely capture all the steam from pans on the front burners. Plumbing systems and appliances need to breathe for proper operation. Drainage pipes carry waste out of your home to either the city sewer or a septic tank.
D confirm the vent system is plumb and square.
Proper ventilation is an important part of a plumbing system. A wide variety of vent plumbing options are available to you, such as technics, material, and connection. In this article, you're going to learn how to plumb a bathroom. This warranty is extended to the original purchaser and any succeeding owner for products purchased for home use within the usa. Plumbing systems and appliances need to breathe for proper operation. No venting makes drains slow and can. In a properly designed plumbing drain and vent system, there is air in the pipes before water is poured down a soon the vent pipe chokes off with ice. The ventilation system is vital to a healthy plumbing system. Should i put in a single 3 through the roof and connect all the vent lines to this 3 penetration. Your home's plumbing system is designed to efficiently remove water and waste. Is is legal to vent only to the. The fat pipes in your house make up the dwv, carrying wastewater to a city sewer line or your private sewer treatment facility (called a septic tank and field). However, only recently was wet vent plumbing added to the plumbing code by the uniform plumbing code.
Plumbing drains bathroom plumbing plumbing pipe plumbing solder house drainage system septic system wc container wc sign yard drainage home plumbing system. Wet venting is where one fixture's vent is another fixture's drain.
Affordable Plumbing Auburn Hills - Plumber Auburn 0 Call Out Top 3 Plumber Nearby / Adams creek offers affordable 1 & 2 bedroom apartments in auburn hills, mi. . Our plumbers are licensed and professional. Instead call us for professional and extremely affordable domestic plumbing solutions. Find a plumber or an engineer available in glasgow on gumtree. Aardvark rooter is the answer to all your drain cleaning and plumbing needs. Our services are efficient and affordable. While visiting auburn hills michigan, check out the local area attractions: This auburn hills plumber reveals situations where one should call an expert in handling their plumbing system. Find a plumber or an engineer available in glasgow on gumtree. It is not a secret that we often try to find a solution on our own whenever a plumbing issue arrives. Adams creek offers affordable 1 & 2 bedroom apartments in auburn hills, mi. ...
Mercedes-Benz A Class Price / Qx9eoa5sb8ivgm / The truecar price graph shows you new car sales data in a way that helps you easily recognize a fair price for a vehicle similar to the one you want. . It can be a travel companion, an office, a living space. This is our sixth car from mercedes benz of nanuet. A multimedia package priced at $1,150 includes navigation, which has a neat. Цена 3 517 200 р. Lows puny cargo area, some competitors are quicker, several pricing and which one to buy. Ideal for a taste of executive luxury, this powerful hatchback will take you comfortably around the city or countryside. Buy a new car online. Between our extensive inventory of luxury sedan and wagon models, you're sure to find the perfect model for your san diego travels. Use our free online car valuation tool to find out exactly how much your car is worth today. A multimedia package priced at $1,150 includes navigation, which has a neat. ...
Local Plumbing Service - Water Heater Installation Services In Santa Clara By Local Plumbing Repair Company By Utzo Usa Medium : Better homes & gardens local services connects you to plumbers that specialize in bath and shower repair, boilers. . We understand that customer service is the since 1995, local plumbing & electric has handled every type of plumbing, electrical and hvac. Do you have plumbing leaks, broken sump pump, clogged drain or water over many years of service we have successfully completed countless plumbing projects or quickly. When your hot water heating system begins playing up, you really. Need a local plumber in alphington? We find you qualified plumbers that best meet the needs of your project, but if you are not fully satisfied with the estimates provided, you are not. When your hot water heating system begins playing up, you really. Also, we provide special financing through ygrene. We find you qualified plumbers that best meet the nee...
Komentar
Posting Komentar